FAC Rola zincata aplicata cu rulment FAC Cod 305/20 profil U, D90mm, pentru poarta culisanta

FAC
105,88 Lei
Rola Aplicata zincata poarta culisanta, cu rulment FAC Cod 305/20 profil U, diametru 90mm, 170Kg/rola. Rola este fabricata in Italia din otel de calitate superioara. Ofera o culisare armonioasa, extrem de silentioasa si cu forte de frecare minime.
In stoc

Durata de livrare: 1-2 zile lucratoare

Limita stoc
Adauga in cos
Cod Produs: Cod 305/20 Ai nevoie de ajutor? 0725 901 919
Adauga la Favorite Cere informatii
  • Descriere
  • Caracteristici
  • Review-uri (0)
Rola Aplicata zincata poarta culisanta, cu rulment FAC Cod 305/20 profil U, diametru 90mm, 170Kg/rola. Rola este fabricata in Italia din otel de calitate superioara. Aceasta se poate utiliza in sistemele de porti culisante cu sina profil U si la angrenarea/ conexiunea diverselor aplicatii pe sistem culisant pe sina precum si automatizarile de porti culisante. Ofera o culisare armonioasa, extrem de silentioasa si cu forte de frecare minime.
Rola zincata aplicata cu rulment FAC Cod 305-20 profil U, D90mm, poarta culisanta  I-Systems.ro-d1-montaj sina culisanta
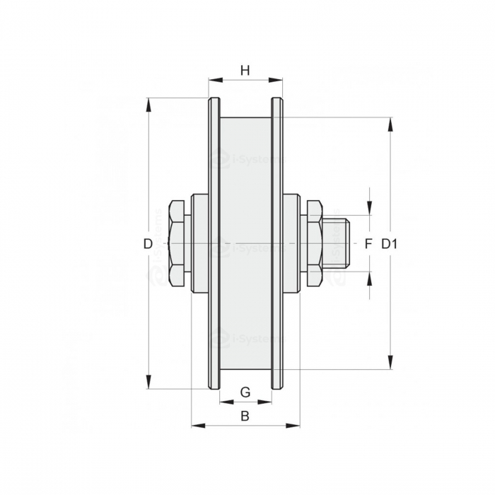
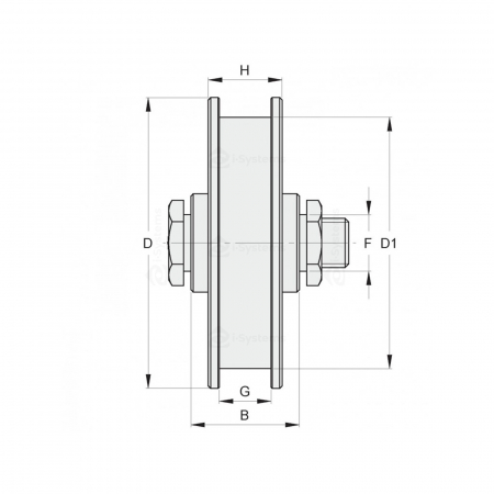
Specificatii:
Diametru rola (D): 90 mm
Diametru interior rola (D1): 73.5 mm
Diametru sina (d): 20 mm
Latime suport (B): 34 mm
Distanta intre gaurile de fixare (F): 12 mm
Latime rola (H): 21 mm
Capacitate suportata: 170 Kg
Numar rulmenti: 1

Continut Pachet:
1 x Rola aplicata FAC Cod 305/20 profil U, D90mm

Rola zincata aplicata cu rulment FAC Cod 305/20 profil U, D90mm, poarta culisanta | I-Systems.ro
 
Vezi mai mult Informatii conformitate produs

Producator: FAC

Lungime: 90 mm

Latime: 21 mm

Inaltime: 90 mm

Greutate: 400 g

Material: Otel Zincat

Capacitate Suportata: 170 Kg

Diametru Rola: 90 mm

Diametru Sina: 20 mm

Daca doresti sa iti exprimi parerea despre acest produs poti adauga un review.

Review-ul a fost trimis cu succes.

Compara produse

Trebuie sa mai adaugi cel putin un produs pentru a compara produse.

A fost adaugat la favorite!

A fost sters din favorite!